Оставьте заявку на заказ и мы вам перезвоним для уточнения деталей и вопросов
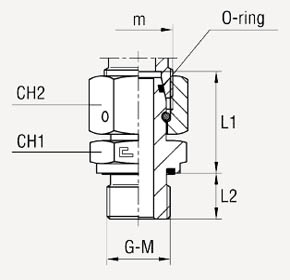
| Серия | Давление | Корпус | M | Диаметр трубы | Резьба | L1 | L2 | CH1 | CH2 |
| L | 315 | 600504 | 6 | 12x1,5 | 1/8 | 24,5 | 8 | 14 | 14 |
| 600505 | 8 | 14x1,5 | 1/4 | 29,5 | 12 | 19 | 17 | ||
| 600506 | 10 | 16x1,5 | 1/4 | 27,5 | 12 | 19 | 19 | ||
| 600507 | 12 | 18x1,5 | 3/8 | 34 | 12 | 22 | 22 | ||
| 600508 | 15 | 22x1,5 | 1/2 | 32 | 14 | 27 | 27 | ||
| 600509 | 18 | 26x1,5 | 1/2 | 31,5 | 14 | 27 | 32 | ||
| 160 | 600510 | 22 | 30x2 | 3/4 | 32,5 | 16 | 32 | 36 | |
| 600511 | 28 | 36x2 | 1 | 35 | 18 | 41 | 41 | ||
| 600512 | 35 | 45x2 | 11/4 | 42,5 | 20 | 50 | 50 | ||
| 600513 | 42 | 52x2 | 11/2 | 46,5 | 22 | 55 | 60 | ||
| S | 630 | 600514 | 6 | 14x1,5 | 1/4 | 27 | 12 | 19 | 17 |
| 600515 | 8 | 16x1,5 | 1/4 | 29,5 | 12 | 19 | 19 | ||
| 600516 | 10 | 18x1,5 | 3/8 | 32 | 12 | 22 | 22 | ||
| 600517 | 12 | 20x1,5 | 3/8 | 34 | 12 | 22 | 24 | ||
| 600518 | 14 | 22x1,5 | 1/2 | 36,5 | 14 | 27 | 27 | ||
| 400 | 600519 | 16 | 24x1,5 | 1/2 | 37 | 14 | 27 | 30 | |
| 600520 | 20 | 30x2 | 3/4 | 43 | 16 | 32 | 36 | ||
| 600521 | 25 | 36x2 | 1 | 48 | 18 | 41 | 46 | ||
| 600522 | 30 | 42x2 | 11/4 | 51 | 20 | 50 | 50 | ||
| 315 | 600523 | 38 | 52x2 | 11/2 | 60 | 22 | 55 | 60 |