Оставьте заявку на заказ и мы вам перезвоним для уточнения деталей и вопросов
![]() |
![]() |
|
с врезным кольцом В3 |
с врезным кольцом В4 |
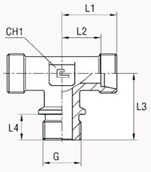
| Серия | Давление | Корпус | Корпус в сборе В2 | Диаметр трубы | Резьба | L1 | L2 | L3 | L3 | L5 | CH1 | CH2 | Корпус в сборе В5 |
| L | 160 | 102810.1 | 102810 | 22 | 3/4 | 35 | 27,5 | 43,5 | 15 | 44 | 27 | 36 | 102810.4 |
| 102811.1 | 102811 | 28 | 1 | 38 | 30,5 | 49 | 17 | 47 | 36 | 41 | 102811.4 | ||
| 102812.1 | 102812 | 35 | 11/4 | 45 | 34,5 | 57 | 19 | 56 | 41 | 50 | 102812.4 | ||
| 102813.1 | 102813 | 42 | 11/2 | 51 | 40 | 64 | 20 | 63 | 50 | 60 | 102813.4 | ||
| S | 400 | 102820.1 | 102820 | 20 | 3/4 | 37 | 26,5 | 43,5 | 15 | 48 | 27 | 36 | 102820.4 |
| 102821.1 | 102821 | 25 | 1 | 42 | 30 | 49 | 17 | 54 | 36 | 46 | 102821.4 | ||
| 102822.1 | 102822 | 30 | 11/4 | 49 | 35,5 | 57 | 19 | 62 | 41 | 50 | 102822.4 | ||
| 315 | 102823.1 | 102823 | 38 | 11/2 | 57 | 41 | 64 | 20 | 72 | 50 | 60 | 102823.4 |